注:以下所引用的法律法规在本信息发布的时候是有效的,请留意其时效性。
问1:光气(碳酰氯)设施安全距离
答:请参考:光气及光气化产品生产安全规程 – GB 19041-2003

问2:解读一下2021版危废名录中《危险废物豁免管理清单》第一条:

办公室日常使用的清洁剂消毒剂,废弃的灯管电池等,涉及到的收集环节只进行垃圾分类即可?其中提到的铅蓄电池怎么处置
答:是的,垃圾分类即可。收集环节豁免。铅蓄电池也不用担心,国家已经考虑到了。
参考:关于印发《铅蓄电池生产企业集中收集和跨区域转运制度试点工作方案》的通知
上海市生态环境局 上海市交通委员会关于继续开展废铅蓄电池区域收集转运试点工作的通知
问3:关于“废弃的含油抹布、劳保用品等应按照国家有关法律法规要求进行分类收集。同时,为解决不具备分类收集条件且混入少量危险废物的生活垃圾处理问题,《名录》规定已经混入生活垃圾的含油抹布、劳保用品等实施全过程豁免。”中如何定义少量以及是否可以理解为含有抹布可以和其他垃圾一起处理?
答:废弃的含油抹布、劳保用品等应按照国家有关法律法规要求进行分类收集。
同时,为解决不具备分类收集条件且混入少量危险废物的生活垃圾处理问题,《名录》规定已经混入生活垃圾的含油抹布、劳保用品等实施全过程豁免。
废油抹布的豁免条件是未分类收集。参考截图:

问4:对于熔融金属熔炼的影响区域,建筑物和构筑物有定期鉴定的法律法规或者标准的要求吗?
答:冶金企业和有色金属企业安全生产规定 – 国家安全生产监督管理总局令第91号
“第二十五条 企业的建(构)筑物应当按照国家标准或者行业标准规定,采取防火、防爆、防雷、防震、防腐蚀、隔热等防护措施,对承受重荷载、荷载发生变化或者受高温熔融金属喷溅、酸碱腐蚀等危害的建(构)筑物,应当定期对建(构)筑物结构进行安全检查。”
问5:有关湿式报警阀组,烟感配置,中央空调布置的规范
答:请参考:湿式报警阀组参考自动喷水灭火系统设计规范 – GB 50084-2017烟感配置参考火灾自动报警系统设计规范 – GB 50116-2013
中央空调参考民用建筑供暖通风与空气调节设计规范 – GB 50736-2012
问6:职业危害岗前体检是否必须等到岗前体检的结果出来后方可上岗,能否体检完结果未出就可以上岗?
答:风险是可能导致有职业禁忌的员工从事禁忌的工作,可能有以下法律后果:
《中华人民共和国职业病防治法》第七十五条:违反本法规定,有下列情形之一的,由卫生行政部门责令限期治理,并处五万元以上三十万元以下的罚款;情节严重的,责令停止产生职业病危害的作业,或者提请有关人民政府按照国务院规定的权限责令关闭:……(七)安排未经职业健康检查的劳动者、有职业禁忌的劳动者、未成年工或者孕期、哺乳期女职工从事接触职业病危害的作业或者禁忌作业的;……
问7:高毒物品区域是否必须配备职业卫生医师和护士?如果签订职业卫生服务机构的话提供的具体是什么服务?
答:《使用有毒物品作业场所劳动保护条例》本身年久失修,有些条款已不适合使用。该条款在实践中未没看到使用,无论是企业还是行政处罚案例。特别是在各地行政处罚基准中也没有发现该条款的应用,所以可以大胆推断其已不适用。请注意这只是推断,仅供参考。参考:《上海市职业健康行政处罚裁量基准》《山东省卫生健康行政处罚裁量基准》《河北省卫生健康行政处罚裁量基准》
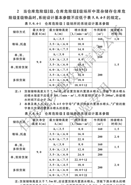
问8:高架仓库要加喷淋,6米高架需要吗?
答:参考:自动喷水灭火系统设计规范 – GB 50084-2017,例如:

问9:柴油叉车尾气检测相关的法规?
答:请参考:非道路柴油移动机械排气烟度限值及测量方法 – GB 36886-2018
问10:小包装化学品(如20升桶或500ML玻璃瓶)存于托盘或货架的要求(如是否要有围堰及其高度)
答:没有系统的统一的要求,部分要求散见于各个法规标准中(下面列举部分),建议根据化学品特性,自行制定管控要求。危险化学品安全管理条例(2011修订) – 国务院令第591号“第二十条 生产、储存危险化学品的单位,应当根据其生产、储存的危险化学品的种类和危险特性,在作业场所设置相应的监测、监控、通风、防晒、调温、防火、灭火、防爆、泄压、防毒、中和、防潮、防雷、防静电、防腐、防泄漏以及防护围堤或者隔离操作等安全设施、设备,并按照国家标准、行业标准或者国家有关规定对安全设施、设备进行经常性维护、保养,保证安全设施、设备的正常使用…”常用化学危险品贮存通则 – GB 15603-1995
另外,深圳地方标准 危险化学品中间仓库安全管理规范 – DB4403/T 80-2020 虽然不在效力范围,但是可以作为制定管控要求时的可靠参考。






沪公网安备31010602007801